Spring energized Sealfor Piston
- Introduction
Spring energized Sealfor Piston - FVA
1、Product structure characteristics
There is a U-shaped PTFE seal with a special V-shaped stainless steel spring for rod with one-way reciprocating seals.
This seal can be applied to harsh conditions, but also can adapt to some special media requirements.
2、Working conditions

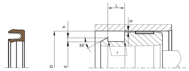
3、Assembly drawings and installation dimensions

| Cylinder diameter | Groove diameter | Groove width | Radius | Stop height | Radial clearance S max | |||
| DH9 | dh9 | L+0.2 | r | h | 2 MPA | 10MPa | 20Mpa | 40Mpa |
| 6.0-19.9 | B-2.9 | 2.4 | 0.4 | 0.4 | 0.20 | 0.10 | 0.08 | 0.05 |
| 14.0-24.9 | B-4.5 | 3.6 | 0.4 | 0.6 | 0.25 | 0.15 | 0.10 | 0.07 |
| 25.0-45.9 | B-6.2 | 4.8 | 0.6 | 0.7 | 0.35 | 0.20 | 0.15 | 0.08 |
| 46.0-124.9 | B-9.4 | 7.1 | 0.8 | 0.8 | 0.50 | 0.25 | 0.20 | 0.10 |
| 125.0-999.9 | B-12.2 | 9.5 | 0.8 | 0.9 | 0.60 | 0.30 | 0.25 | 0.12 |
4、FVA Specification Table
| S/N | Cylinder diameter | Groove diameter | Groove width | S/N | Cylinder diameter | Groove diameter | Groove width | |
| DH9 | dh9 | L+0.2 | DH9 | dh9 | L+0.2 | |||
| FVA0140 | 14 | 9.5 | 3.6 | FVA1000 | 100 | 90.6 | 7.1 | |
| FVA0150 | 15 | 10.5 | 3.6 | FVA1100 | 110 | 100.6 | 7.1 | |
| FVA0160 | 16 | 11.5 | 3.6 | FVA1150 | 115 | 105.6 | 7.1 | |
| FVA0180 | 18 | 13.5 | 3.6 | FVA1200 | 120 | 110.6 | 7.1 | |
| FVA0200 | 20 | 15.5 | 3.6 | FVA1250 | 125 | 112.8 | 9.5 | |
| FVA0220 | 22 | 17.5 | 3.6 | FVA1300 | 130 | 117.8 | 9.5 | |
| FVA0250 | 25 | 18.5 | 4.8 | FVA1350 | 135 | 122.8 | 9.5 | |
| FVA0280 | 28 | 21.8 | 4.8 | FVA1400 | 140 | 127.8 | 9.5 | |
| FVA0300 | 30 | 23.8 | 4.8 | FVA1500 | 150 | 137.8 | 9.5 | |
| FVA0320 | 32 | 25.8 | 4.8 | FVA1600 | 160 | 147.8 | 9.5 | |
| FVA0350 | 35 | 28.8 | 4.8 | FVA1700 | 170 | 157.8 | 9.5 | |
| FVA0400 | 40 | 33.8 | 4.8 | FVA1800 | 180 | 167.8 | 9.5 | |
| FVA0420 | 42 | 35.8 | 4.8 | FVA1900 | 190 | 177.8 | 9.5 | |
| FVA0450 | 45 | 38.8 | 4.8 | FVA2000 | 200 | 187.8 | 9.5 | |
| FVA0480 | 48 | 38.6 | 7.1 | FVA2100 | 210 | 197.8 | 9.5 | |
| FVA0500 | 50 | 40.6 | 7.1 | FVA2200 | 220 | 207.8 | 9.5 | |
| FVA0520 | 52 | 42.6 | 7.1 | FVA2300 | 230 | 217.8 | 9.5 | |
| FVA0550 | 55 | 45.6 | 7.1 | FVA2400 | 240 | 227.8 | 9.5 | |
| FVA0560 | 56 | 46.6 | 7.1 | FVA2500 | 250 | 237.8 | 9.5 | |
| FVA0600 | 60 | 50.6 | 7.1 | FVA2800 | 280 | 267.8 | 9.5 | |
| FVA0630 | 63 | 53.6 | 7.1 | FVA3000 | 300 | 287.8 | 9.5 | |
| FVA0650 | 65 | 55.6 | 7.1 | FVA3200 | 320 | 307.8 | 9.5 | |
| FVA0700 | 70 | 60.6 | 7.1 | FVA3500 | 350 | 337.8 | 9.5 | |
| FVA0750 | 75 | 65.6 | 7.1 | FVA4000 | 400 | 387.8 | 9.5 | |
| FVA0800 | 80 | 70.6 | 7.1 | FVA4200 | 420 | 407.8 | 9.5 | |
| FVA0850 | 85 | 75.6 | 7.1 | FVA4500 | 450 | 437.8 | 9.5 | |
| FVA0900 | 90 | 80.6 | 7.1 | FVA4800 | 480 | 467.8 | 9.5 | |
| FVA0950 | 95 | 85.6 | 7.1 | FVA5000 | 500 | 487.8 | 9.5 |




