专业的O型圈生产厂家-旭美克密封科技有限公司欢迎您的访问!
宁波旭美克密封科技有限公司

品控源于台湾

超大超小密封件
服务热线:0574-83887631
联系我们
宁波分公司
0574-83887631

地址:中国浙江省宁波市高新区江南路586号

广州分公司
020-82199636

地址:广东省广州高新技术产业开发区科学城科学大道

组合密封

产品介绍

20171016174828112811.jpg

轴用组合密封 - JGDI

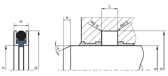
1、产品结构特点 
由一个PTFE密封环和一个作为预紧元件的橡胶O型圈以及两个挡圈组合而成的轴用双向往复密封件。 
2、工况条件

QQ截图20180130101538.jpg

3、装配图

20171016175029912991.jpg

4、JGDI规格表
20171016175244104410.jpg

上一篇:滑靴密封   下一篇:没有了!
相关标签:
来源:
发布时间:2018-01-30 10:16:02