轴用阶梯圈(斯特封)
- 产品介绍

一、轴用阶梯圈(斯特封)- GSJ
1、产品结构特点
由一个PTFE密封圈和一个作为预紧元件的橡胶O型圈组成,是一种可以承受高压、低压及重载和
交变压力的单向作用的往复密封件。
2、工况条件

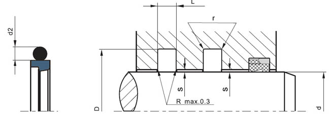
3、装配图及安装尺寸




二、轴用阶梯圈(斯特封)- GSW
1、产品结构特点
由一个PTFE密封圈和一个作为预紧元件的橡胶O型圈组成,是一种可以承受高压、低压及重载和
交变压力的单向作用的往复密封件。
2、工况条件

3、装配图及安装尺寸

| 轴径 | 沟槽直接 | 沟槽宽度 | 圆角 | 径向间隙Smax | O型圈截面 | ||
| dh9 | DH9 | L+0.2 | r | 10Mpa | 20Mpa | 40Mpa | d2 |
| 10-29.9 | d+8 | 3.2 | 0.6 | 0.6 | 0.25 | 0.15 | 2.62 |
| 30-79.9 | d+10 | 4.2 | 1 | 1.0 | 0.25 | 0.20 | 3.53 |
| 80-179.9 | d+15 | 6.8 | 1.3 | 1.3 | 0.30 | 0.20 | 5.33 |
| 180-284.9 | d+20 | 8.1 | 1.8 | 1.8 | 0.35 | 0.25 | 7.00 |
| 285-600 | d+25 | 9.5 | 2.5 | 2.5 | 0.50 | 0.30 | 8.40 |
4、GSW规格表





